news

本手册仅供专业安装人员使用不得作为用户使用手册
严禁非专业人员安装!安装前请仔细阅读本手册
一.产品概述
感谢您选购大泰后桥总成,为了让您轻松使用本产品,用户使用本系列后桥总成前,请您详细阅读本说明书,以便充分了解后桥安装及使用说明。本手册主要介绍了大泰后桥功能特点,安装使用方法,日常维护注意事项等。用户在安装使用过程中遇到任何问题请联系我们。
大泰后桥具有安全·高效·稳定·低噪音及安装方便等特点。产品广泛适用于电动载重三轮车,电动载客车,电动环卫车,低速汽车,电动观光车,电动叉车,电动清扫车,电动矿车等车辆。
二.产品分类
1.普通差速后桥
2.变档后桥
3.分体后桥
4.全自动变档后桥
5.叉车后桥
6.四档变速后桥
三.产品图片及参数
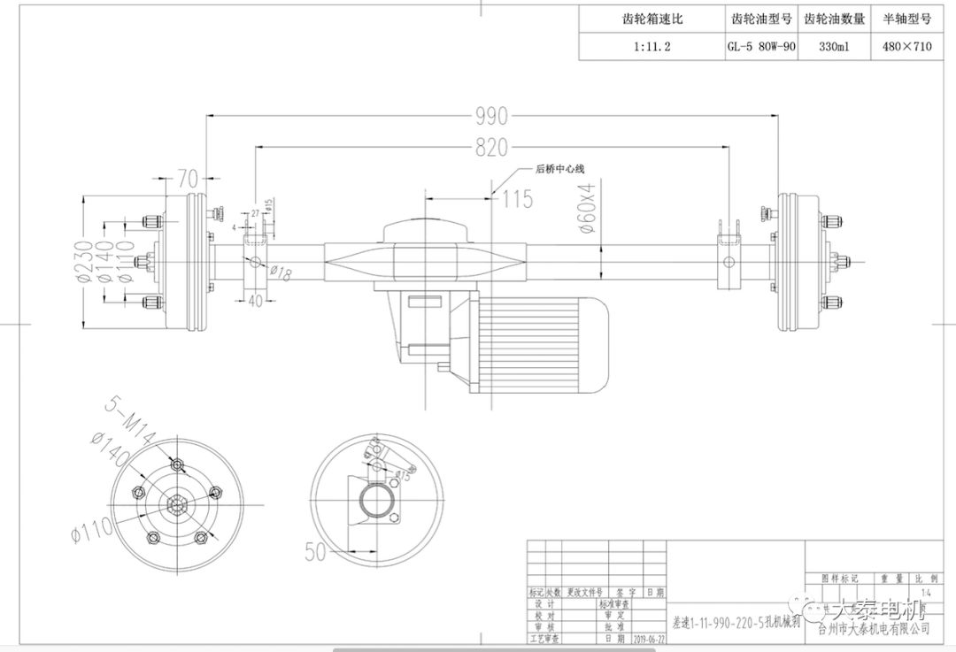
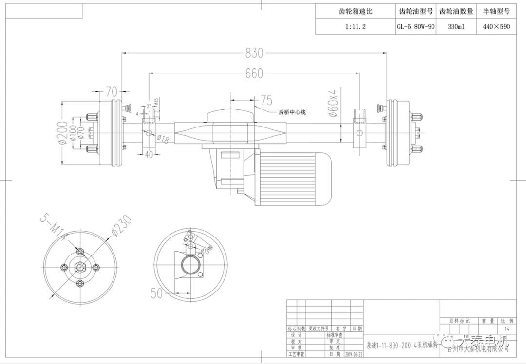
1.差速后桥


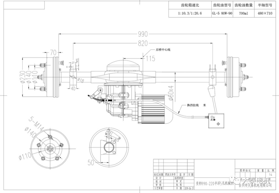
2.变档后桥



3.分体后桥



4.全自动变档后桥



5.叉车后桥


6.四档变速后桥


四.后桥外形安装尺寸:

差速后桥220五孔机械刹

差速后桥200四孔机械刹

变档后桥250半浮五孔机械刹

变档后桥220悬浮油刹

变档220半浮五孔机械刹

四档变档后桥250半浮五孔油刹

叉车后桥2吨和1吨
五.注意事项:
1.产品出厂时已加注18#双曲线齿轮油750ml,每运行2个月检查一次,每运行2000km更换一次。
2.后桥与电机安装螺丝需紧固,不得漏装,螺丝用8.8级以上。
3.后桥安装好后,加油口螺丝一定要更换成出气孔螺丝。
六.产品售后服务


七.产品配件




八.常见故障及排除方法:
1.齿轮油从半轴油封处向外渗漏,可能是油封座老化磨损松动造成油封和轴颈的磨损间隙增大或表面有沟槽等都有可能造成渗漏,如果是上述原因应更换油封并重新装配.
2.若从差速器壳体及轴承座处漏油,则为差速器壳体与轴承处的螺栓松动或壳体有裂纹。排除方法为拧紧螺栓修补裂纹。
3.加油量超过规定界面时油会自动流出,排除方法为放油到标准油量线内。
4.通气孔堵住,造成桥壳内压力升高,油会结合面处,油封处渗出,更换或清理出气口螺母。
后桥发热
故障表现为桥壳内温度异常烫手,严重时有烧焦气温或冒烟现象
1.手摸各个轴承挡部位感到烫手,说明轴承损坏或过紧,应重新更换。
2.若轴承发热则先检查桥壳内油平面是否符合规定,齿轮油不足或间隙过小都会造成后桥整体过热。齿轮油不足时应加注油量足够,若油量足够则说明齿轮齿合间隙过小,应予以调整。
刹车失灵
1 检查刹车连接系统螺栓是否有松动,调整刹车螺纹杆到合适位置,越紧螺母刹车块越胀开说明刹车效果越好。
2 观察刹车杆调整螺母已调整到尽头,说明刹车块磨损严重,需更换刹车块
3 尖嘴钳取下后轴螺母的固定销。
4 用扳手取下后轴固定螺母,用支架将齿轮支起,从车上取下后轮。
5 用锤子对准刹车鼓,加快木头防止损伤螺纹,用锤子击打木头,取下刹车锅和旧刹车块。
6 找到相同型号的刹车块,更换安装好。
7 先将平键放入键槽内,然后将车轮安装好,用扳手固定好螺母。
8 用销子将轴螺母销好,然后将车架取下,调整好刹车调整螺母,试验刹车效果正常后故障排除。
油刹刹车故障及排除
1 检查刹车油壶,油标是否正常,油不足需将刹车油添加到标准位置。
2 检查刹车油管是否破损漏油,更换刹车油管。
3 脚踩刹车观看刹车总泵到刹车分泵是否出油,油压是否正常,如无则需更换刹车分泵或总泵,或油管堵塞。
4 调整刹车块间隙,位置在刹车片下侧有皮塞堵住。用一字螺丝刀拨动调节齿轮往上拨刹车块越胀开,刹车越紧,调到合适试验刹车。
5 刹车蹄块磨损,更换刹车块(方法与更换机械刹一致)
全悬浮变档后桥差速箱更换步骤:
1.找到后桥差速底部放油口螺丝,用内六角扳手拧开将油排出放干。
2.将挂挡线及支座用工具去掉,电机也用工具拆卸下来。

3.找到车轮两边半轴位置,先用扳手把M8螺栓松掉取出。

4.找到半轴面M6螺纹孔用扳手将螺栓上入螺纹孔内拧紧半轴退出,取下半轴,左右两边一致。
5.用扳手将差速箱内六角螺栓拧出并取下差速箱。

6.拿出相同型号新的差速箱放入桥包内,注意方向和孔位对准确。
7.用M8内六角螺栓将差速箱固定住并拧紧螺栓。
8.检查左右两边半轴齿并确认是否损坏。
9.将左右两边半轴依次插入桥管,轻轻转动将半轴齿外花键插入变速箱内花键与刹车锅面平。
10.用M8外六角螺栓将半轴固定并拧紧。
11.将挂挡线及支座和电机装配好。
12.打开加油口螺栓加注0.8升双曲线齿轮油,用出气孔螺栓将其拧紧。
13.调试挂挡,测试车辆行驶无异常。
半悬浮变档后桥差速箱更换步骤:
1.找到后桥差速箱底部放油口螺栓,用内六角扳手扭开将油排出放干。
2.将挂挡线及支座用工具去掉,电机也用工具拆下来。
3.用手将红色防护壳去掉,用尖嘴钳取下后轴开口螺母固定销,再用扳手取下开槽螺母。
4.将车辆用工具把车轮支撑离地,并取下两边后轮。
5.用锤子对准后桥半轴,加块木块防止螺纹损坏,用锤子敲打半轴,取下刹车锅。
6.用扳手从刹车盘内将螺栓扭掉,取下刹车盘和半轴。
7.用内六角扳手将差速箱螺栓拧出,取下差速箱。
8.拿出相同型号新的差速箱放入桥包内,注意方向和孔位对准确。

9.用M8内六角螺栓将差速包固定住,并拧紧螺栓(拧螺栓时要顺畅避免坏牙)
10.检查左右两边半轴齿确认是否磨损。
11.将刹车盘和半轴一起插入桥管,轻轻转动半轴齿外花键插入差速箱内花键中,与桥管固定座齐平。

12.用M8外六角螺栓将刹车盘和半轴固定并拧紧螺栓。

13.将刹车锅套入刹车盘上(注意方键与轴槽要一致)。
14.方键敲入键槽内,将开槽螺母拧紧并插上开口销套上防护套。
15.转动刹车锅,检查是否装配好,无异响。
16.将后轮套上后桥并拧紧后桥螺母。
17.将挂挡线和电机及支座安装好。
18.打开加油口螺栓,加注0.8升双曲线齿轮油,用出气孔螺母将其拧紧。
19.调试挂挡,将车辆放回地面,测试车辆行驶无异常。
九.储存·运输
仓库保持通风,通光,通气,无腐蚀性气体,产品堆放离地,隔墙,防潮。
在运输过程中要稳妥有序,禁止野蛮装卸,防止跌落。
十.联系我们
台州市大泰机电有限公司
技术部: 13373657888(蔡工)
销售部: 18958689888(梁经理)
13305769888(孙经理)
外贸部: 18958512573(李经理)
售后部:13185624500(尤经理)
网址: http:// www.tzdatai.com
地址:台州市黄岩区院桥镇鉴湖山头陈村
Copyright © 2020 浙江大泰新能源有限公司 ALL RIGHTS RESERVED 浙ICP备2025213439号 设计&推广:新飞速网络科技