news

本手册仅供专业安装人员使用不得作为用户使用手册
严禁非专业人员安装!安装前请仔细阅读本手册
一.产品概述
感谢您选购大泰无刷电机,为了让您轻松使用本产品,用户使用本系列电机前,请您详细阅读本说明书,以便了解电机安装及使用说明。本手册主要介绍了电机功能特点,安装使用方法,日常维护注意事项等。用户在安装使用过程中遇到任何问题请联系我们.
大泰永磁无刷直流电机采用高磁能积的稀土永磁材料和电子换向技术,具有无碳刷,结构简单,运行可靠,体积小,重量轻,损耗小,效率高,运行特性优良等特点。产品广泛适用于电动三轮车,电动载客车,电动环卫车,低速汽车,电动观光车,电动叉车,电动清扫车等车辆。
二.产品特点
具有传统直流电机的优点,同时又取消了碳刷,滑环结构。
可以低速大功率运行,可以省去减速机直接驱动大的负载。
体积小,重量轻,扭矩大。
转矩特性优异,中低速转矩性能好,启动扭矩大,启动电流小。
无极调速,调速范围广,过载能力强。
软启软停,制动性能好。
效率高,电机本身没有励磁损耗和碳刷损耗,消除了多级减速耗,综合节电率可达10%-20%。
可靠性好,稳定性好,适应性强,维修与保养简单。
耐颠簸震动,噪音低,振动小,运转平滑,寿命长。
不产生火花,特别适合爆炸性场所。
结构设计合理,独家车上可换霍尔结构,维修方便快捷。
三.产品种类
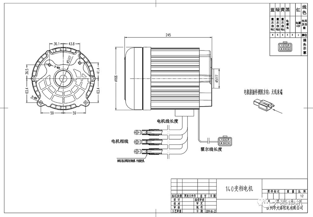
1.变档电机系列
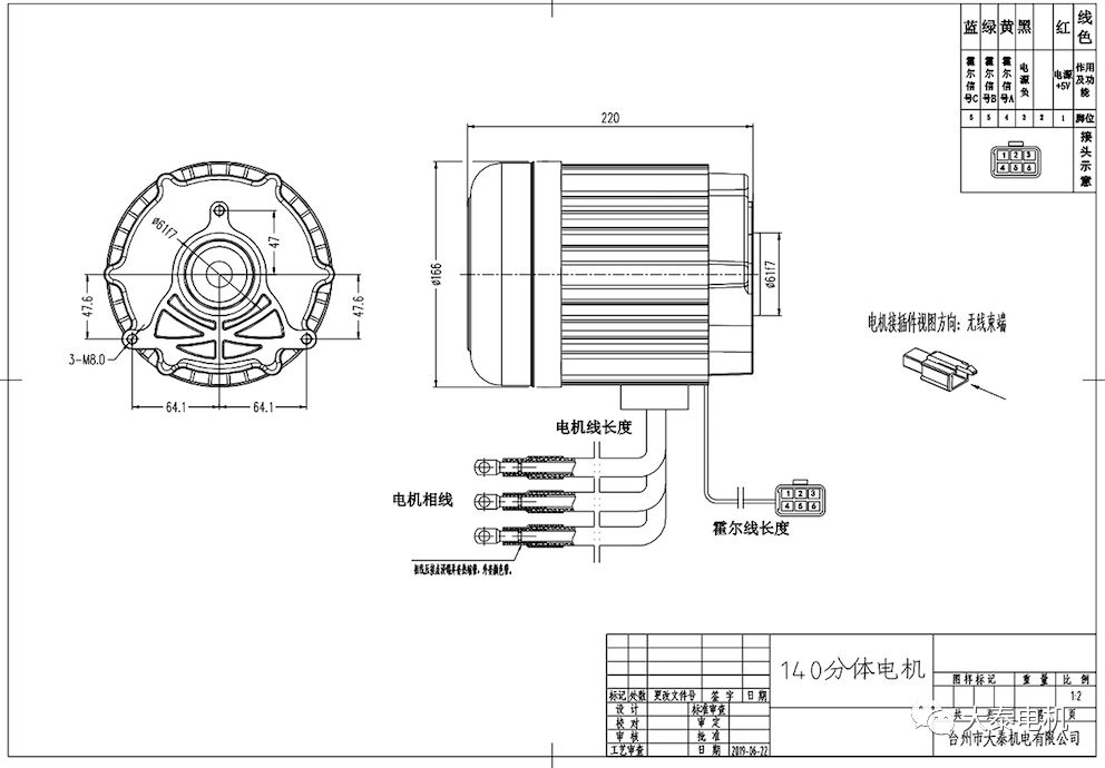
2.分体电机系列
3.汽车电机系列
4.连体电机系列
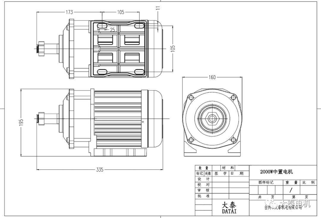
5.中置电机系列
四.产品外形尺寸及参数
变档电机系列


外型专利接口


外型专利接口
变档电机参数
分体电机系列



分体电机参数
汽车电机系列





汽车电机参数
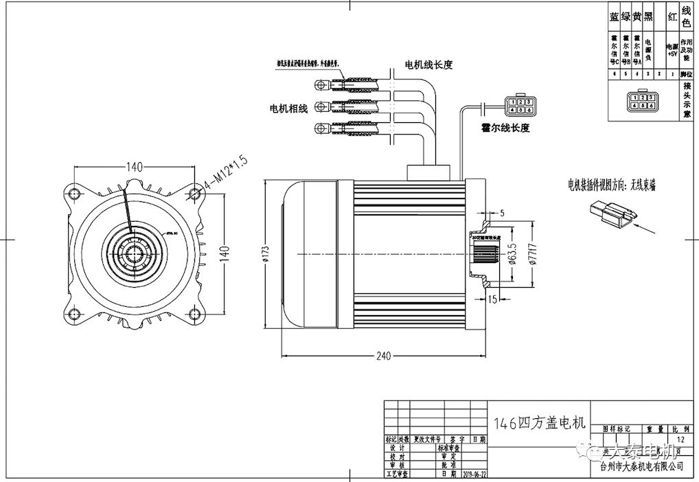
一体电机系列



一体电机参数
中置电机系列







中置电机参数
以上产品参数仅为参考
具体参数和尺寸以实物为准最终解释权归大泰
五.注意事项
1.电机相线和霍尔相线与控制器连接不能接错,螺母需紧固不得有松动。
2.电机电压和车辆电压需一致,不得使用低于车辆电压的电机使用安装。
3.电机安装位置需通风散热,不得低于地面20cm.
4.电机与减速箱安装螺丝需紧固,不得漏装,螺丝用8.8级以上。
六.产品适用范围

七.产品售后服务


八.常见故障和维修方法
电机霍尔盘更换方法

九.储存·运输
仓库保持通风,通光,通气,无腐蚀性气体,产品堆放离地,隔墙,防潮。
在运输过程中要稳妥有序,禁止野蛮装卸,防止跌落。
十. 包装清单
电机 1台
齿轮连接套 1只
三联接线排 2只
电机安装螺丝 1套(限连后桥成套购买)
附加产品(选购)



变档2000W以下霍尔盘

中置电机霍尔盘

变档2000W以上霍尔盘
十一.联系我们
台州市大泰机电有限公司
技术部:13373657888(蔡工)
销售部:18958689888(梁经理)
13305769888(孙经理)
外贸部:18958512573(李经理)
售后部:13185624500(尤经理)
网址:http:// www.tzdatai.com
地址:台州市黄岩区院桥镇鉴湖山头陈村
Copyright © 2020 浙江大泰新能源有限公司 ALL RIGHTS RESERVED 浙ICP备2025213439号 设计&推广:新飞速网络科技